to setting of constant, datasheet part 2
Selection from the original 11- page TOSHIBA datasheet 1989, part 1:
Equivalent Circuit :

Grenzwerte und Kennwerte :


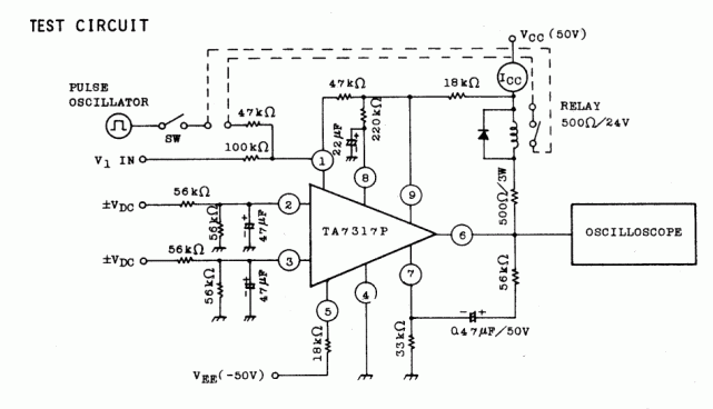
Note 1 : The value of +/-V DC at the time when the relay is turned from ON to OFF in the condition of V1 IN = - 5V and SW OFF. Note 2 : The time required for the relay being turned from OFF to ON at +Vcc ON in the condition of V1 IN = -5 V, +/- V DC = 0, SW OFF. Note 3 : The duration of the relay being able to keep OFF when SW is turned ON in the condition of V1 IN = - 5V and +/- V DC = 0. At that time input pulse is 3ms, -3 V.

Application :

Setting of constant, datasheet part 2
Achtung! Dies sind nicht die Originaldatenblätter der Hersteller, sondern Zusammenfassungen, Übersetzungen, Vereinfachungen und Erklärungen, also Interpretationen ohne Garantie für Richtigkeit. Dies ist bei der Verwendung zu beachten! Wer die Informationen beruflich braucht, sollte sich eine Kopie der Datenblätter bestellen.
Homepage index / zurück zur Startseite
Stand 20.02.03